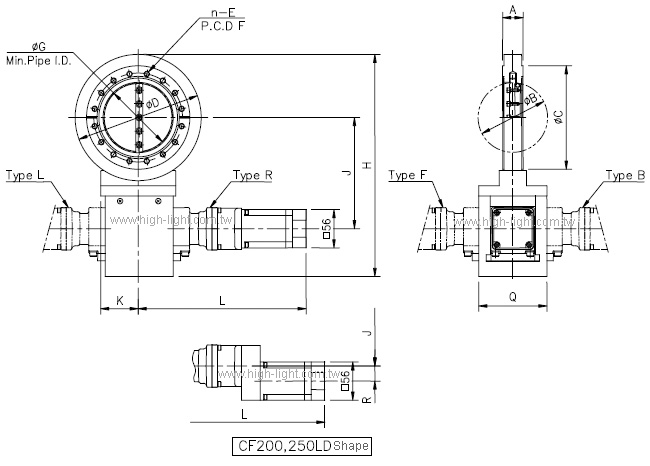
MBV-CF LD-MP
MBV-LD 蝶阀系列
| select | ||||||
| Model No. | MBV-CF40LD-MP | MBV-CF63LD-MP | MBV-CF100LD-MP | MBV-CF160LD-MP | MBV-CF200LD-MP | MBV-CF250LD-MP |
| Parts No. | 10740-- | 10742-- | 10744-- | 10745-- | 10746-- | 10747-- |
| A | 30 | 30 | 30 | 50 | 50 | 50 |
| B | 34 | 52 | 102 | 155 | 208 | 257 |
| C | 69.4 | 113.5 | 151.6 | 202.4 | 253.2 | 305 |
| D | 90 | 120 | 185 | 235 | 300 | 350 |
| F | 58.7 | 92.1 | 130.2 | 181 | 231.8 | 284 |
| G | 20 | 45 | 97 | 144 | 199 | 249 |
| H | 230.5 | 260.5 | 325.5 | 389 | 456.5 | 506.5 |
| J | 115.5 | 130.5 | 163 | 194 | 229 | 254 |
| K | 55 | 55 | 55 | 70 | 85 | 85 |
| L | 245 | 245 | 246.5 | 264 | 292 | 292.5 |
| Q | 100 | 100 | 100 | 110 | 110 | 110 |
| R | - | - | - | - | 22 | 22 |
| n-E | 6-M6 | 8-M8 | 16-M8 | 20-M8 | 24-M8 | 32-M8 |
| Select | Model No. | Parts No. | A | B | C | D | F | G | H | J | K | L | Q | R | n-E |
| MBV-CF40LD-MP | 10740-- | 30 | 34 | 69.4 | 90 | 58.7 | 20 | 230.5 | 115.5 | 55 | 245 | 100 | - | 6-M6 | |
| MBV-CF63LD-MP | 10742-- | 30 | 52 | 113.5 | 120 | 92.1 | 45 | 260.5 | 130.5 | 55 | 245 | 100 | - | 8-M8 | |
| MBV-CF100LD-MP | 10744-- | 30 | 102 | 151.6 | 185 | 130.2 | 97 | 325.5 | 163 | 55 | 246.5 | 100 | - | 16-M8 | |
| MBV-CF160LD-MP | 10745-- | 50 | 155 | 202.4 | 235 | 181 | 144 | 389 | 194 | 70 | 264 | 110 | - | 20-M8 | |
| MBV-CF200LD-MP | 10746-- | 50 | 208 | 253.2 | 300 | 231.8 | 199 | 456.5 | 229 | 85 | 292 | 110 | 22 | 24-M8 | |
| MBV-CF250LD-MP | 10747-- | 50 | 257 | 305 | 350 | 284 | 249 | 506.5 | 254 | 85 | 292.5 | 110 | 22 | 32-M8 |

单位:mm
MBV-CF LD-MP 系列规格图
附注 1: 上图是依据 ISO 3699 真空法兰绘制
附注 2: 马达类型为填充在阀体的后端(共有四个位置可选择)
附注 3: CF40 无测漏沟
※ Htc日扬真空有权做产品规格的修改,但不另行通知。