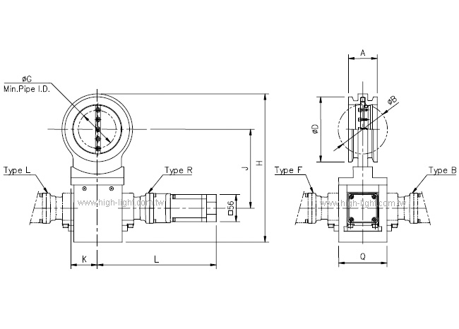
MBV-NW LD-MP
MBV-LD 蝶阀系列
| select | ||||||
| Model No. | MBV-NW40LD-MP | MBV-NW50LD-MP | MBV-NW63LD-MP | MBV-NW80LD-MP | MBV-NW100LD-MP | MBV-NW160LD-MP |
| Parts No. | 10724-- | 10725-- | 10726-- | 10727-- | 10728-- | 10730-- |
| A | 40 | 40 | 40 | 60 | 60 | 66 |
| B | 34 | 52 | 65 | 80 | 102 | 155 |
| D | 55 | 75 | 87 | 114 | 134 | 190 |
| G | 0 | 25 | 56 | 44 | 78 | 143 |
| H | 215.5 | 239.5 | 259 | 280.5 | 306 | 368.5 |
| J | 115.5 | 130.5 | 143 | 150.5 | 163 | 194 |
| K | 55 | 55 | 49 | 49 | 55 | 70 |
| L | 245 | 245 | 246 | 246 | 246.5 | 264 |
| Q | 100 | 100 | 100 | 100 | 100 | 110 |
| Select | Model No. | Parts No. | A | B | D | G | H | J | K | L | Q |
| MBV-NW40LD-MP | 10724-- | 40 | 34 | 55 | 0 | 215.5 | 115.5 | 55 | 245 | 100 | |
| MBV-NW50LD-MP | 10725-- | 40 | 52 | 75 | 25 | 239.5 | 130.5 | 55 | 245 | 100 | |
| MBV-NW63LD-MP | 10726-- | 40 | 65 | 87 | 56 | 259 | 143 | 49 | 246 | 100 | |
| MBV-NW80LD-MP | 10727-- | 60 | 80 | 114 | 44 | 280.5 | 150.5 | 49 | 246 | 100 | |
| MBV-NW100LD-MP | 10728-- | 60 | 102 | 134 | 78 | 306 | 163 | 55 | 246.5 | 100 | |
| MBV-NW160LD-MP | 10730-- | 66 | 155 | 190 | 143 | 368.5 | 194 | 70 | 264 | 110 |

单位: mm
MBV-NW-LD-MP 系列规格图
附注 1: 请在安装过程中使用附加的多功能钳,若使用其他的钳,过程中可能会导致些许问题。
※ Htc日扬真空有权做产品规格的修改,但不另行通知。