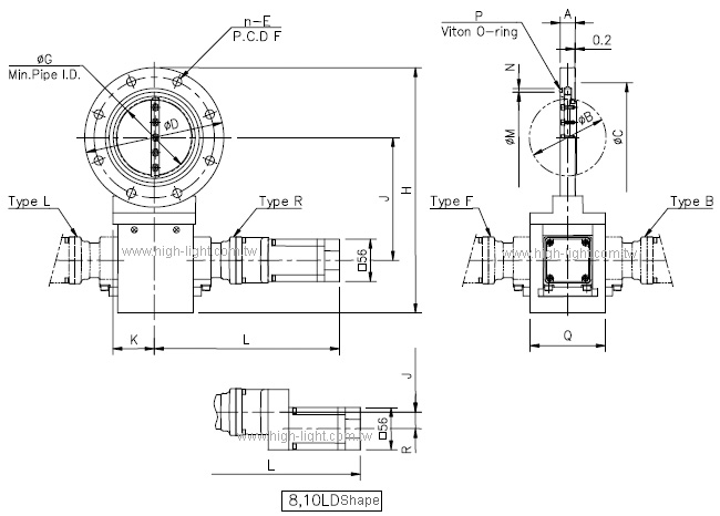
MBV-JIS LD-MP
MBV-LD 蝶阀系列
| select | ||||||||
| Model No. | MBV-1LD-MP | MBV-2LD-MP | MBV-2.5LD-MP | MBV-3LD-MP | MBV-4LD-MP | MBV-6LD-MP | MBV-8LD-MP | MBV-10LD-MP |
| Parts No. | 10705-- | 10707-- | 10708-- | 10709-- | 10710-- | 10711-- | 10712-- | 10713-- |
| A | 20 | 20 | 20 | 20 | 20 | 26 | 40 | 40 |
| B | 34 | 52 | 65 | 80 | 102 | 155 | 208 | 257 |
| C | 58 | 88 | 105 | 120 | 145 | 190 | 250 | 302 |
| D | 90 | 120 | 145 | 160 | 185 | 235 | 300 | 350 |
| F | 70 | 100 | 120 | 135 | 160 | 210 | 270 | 320 |
| G | 32 | 51 | 64 | 79 | 101 | 154 | 206 | 253 |
| H | 230.5 | 260.5 | 285.5 | 300.5 | 325.5 | 389 | 456.5 | 506.5 |
| J | 115.5 | 130.5 | 143 | 150.5 | 163 | 194 | 229 | 254 |
| K | 55 | 55 | 49 | 49 | 55 | 70 | 85 | 85 |
| L | 245 | 245 | 246 | 246 | 246.5 | 264 | 292 | 292.5 |
| M | 40 | 70 | 85 | 100 | 120 | 175 | 225 | 275 |
| N | 5 | 5 | 5 | 5 | 5 | 5 | 8 | 8 |
| P | V40 | V70 | V85 | V100 | V120 | V175 | V225 | V275 |
| Q | 100 | 100 | 100 | 100 | 100 | 110 | 110 | 110 |
| R | - | - | - | - | - | - | 22 | 22 |
| n-E | 4-φ10 | 4-φ10 | 4-φ12 | 4-φ12 | 8-φ12 | 8-φ12 | 8-φ15 | 12-φ15 |
| Select | Model No. | Parts No. | A | B | C | D | F | G | H | J | K | L | M | N | P | Q | R | n-E |
| MBV-1LD-MP | 10705-- | 20 | 34 | 58 | 90 | 70 | 32 | 230.5 | 115.5 | 55 | 245 | 40 | 5 | V40 | 100 | - | 4-φ10 | |
| MBV-2LD-MP | 10707-- | 20 | 52 | 88 | 120 | 100 | 51 | 260.5 | 130.5 | 55 | 245 | 70 | 5 | V70 | 100 | - | 4-φ10 | |
| MBV-2.5LD-MP | 10708-- | 20 | 65 | 105 | 145 | 120 | 64 | 285.5 | 143 | 49 | 246 | 85 | 5 | V85 | 100 | - | 4-φ12 | |
| MBV-3LD-MP | 10709-- | 20 | 80 | 120 | 160 | 135 | 79 | 300.5 | 150.5 | 49 | 246 | 100 | 5 | V100 | 100 | - | 4-φ12 | |
| MBV-4LD-MP | 10710-- | 20 | 102 | 145 | 185 | 160 | 101 | 325.5 | 163 | 55 | 246.5 | 120 | 5 | V120 | 100 | - | 8-φ12 | |
| MBV-6LD-MP | 10711-- | 26 | 155 | 190 | 235 | 210 | 154 | 389 | 194 | 70 | 264 | 175 | 5 | V175 | 110 | - | 8-φ12 | |
| MBV-8LD-MP | 10712-- | 40 | 208 | 250 | 300 | 270 | 206 | 456.5 | 229 | 85 | 292 | 225 | 8 | V225 | 110 | 22 | 8-φ15 | |
| MBV-10LD-MP | 10713-- | 40 | 257 | 302 | 350 | 320 | 253 | 506.5 | 254 | 85 | 292.5 | 275 | 8 | V275 | 110 | 22 | 12-φ15 |

单位:mm
MBV-JIS LD-MP 系列规格图
附注 1: 上图是依据 JISB 2290 真空法兰绘制
附注 2: 马达类型为填充在阀体的后端(共有四个位置可选择)
※ Htc日扬真空有权做产品规格的修改,但不另行通知。