ISO-F type Manual butterfly valve
High vacuum butterfly Valve
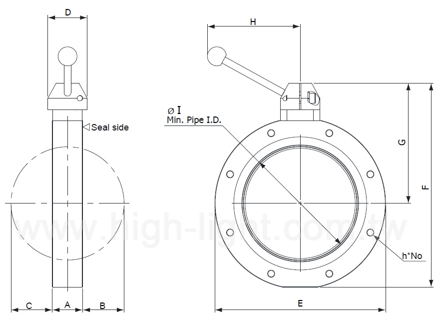
| select | |||
| Model No. | ISO63BFVM | ISO100BFVM | ISO160BFVM |
| Parts No. | 3202151113218 | 3202181113218 | 3202201113218 |
| A | 36 | 30 | 40 |
| B | 15 | 36 | 55.5 |
| C | 21 | 36 | 55.5 |
| D | 40 | 40 | 52 |
| E | 130 | 165 | 225 |
| F | 154 | 190 | 268 |
| G | 94 | 113 | 158 |
| H | 103 | 103 | 122 |
| h*No | M8*4 | M8*8 | M10*8 |
| I | 63 | 100 | 150 |
| P.C.D. | 110 | 145 | 200 |
| Thread Depth | 12 | 12 | 15 |
| Select | Model No. | Parts No. | A | B | C | D | E | F | G | H | h*No | I | P.C.D. | Thread Depth |
| ISO63BFVM | 3202151113218 | 36 | 15 | 21 | 40 | 130 | 154 | 94 | 103 | M8*4 | 63 | 110 | 12 | |
| ISO100BFVM | 3202181113218 | 30 | 36 | 36 | 40 | 165 | 190 | 113 | 103 | M8*8 | 100 | 145 | 12 | |
| ISO160BFVM | 3202201113218 | 40 | 55.5 | 55.5 | 52 | 225 | 268 | 158 | 122 | M10*8 | 150 | 200 | 15 |
SolidWorks 2D & 3D model drawings
| Model No. | ISO100BFVM | ISO160BFVM |
| Parts No. | 3202181113218 | 3202201113218 |
| Download Type | DWG | STEP | DWG | STEP |
ISO-F Butterfly valve Specifications
l Valve size for 2-1/2” to 6”
l Flange:ISO-F
l Pressure Range:10-8 mbar to 1.2 bar
l Leak rate:1x10-9 mbar.l/sec
l Body materials:304 S.S.
l Seal materials:Viton
l Cycle life:100,000
l Mounting position:Any
l Temperature:Body ≦ 120°C