Hard anodized Step Motor Actuated APC pendulum valve
APC Pendulum Valve
| select | ||||||||
| Model No. | PVSSV-HA-ISO100-C/RS232 | PVSSV-HA-ISO100-C/RS485 | PVSSV-HA-ISO200-C/RS232 | PVSSV-HA-ISO200-C/RS485 | PVSSV-HA-ISO250-C/RS232 | PVSSV-HA-ISO250-C/RS485 | PVSSV-HA-ISO320-C/RS232 | PVSSV-HA-ISO320-C/RS485 |
| Parts No. | GP111B213PA | GP111B213PB | GP113B213PA | GP113B213PB | GP114B213PA | GP114B213PB | GP115B213PA | GP115B213PB |
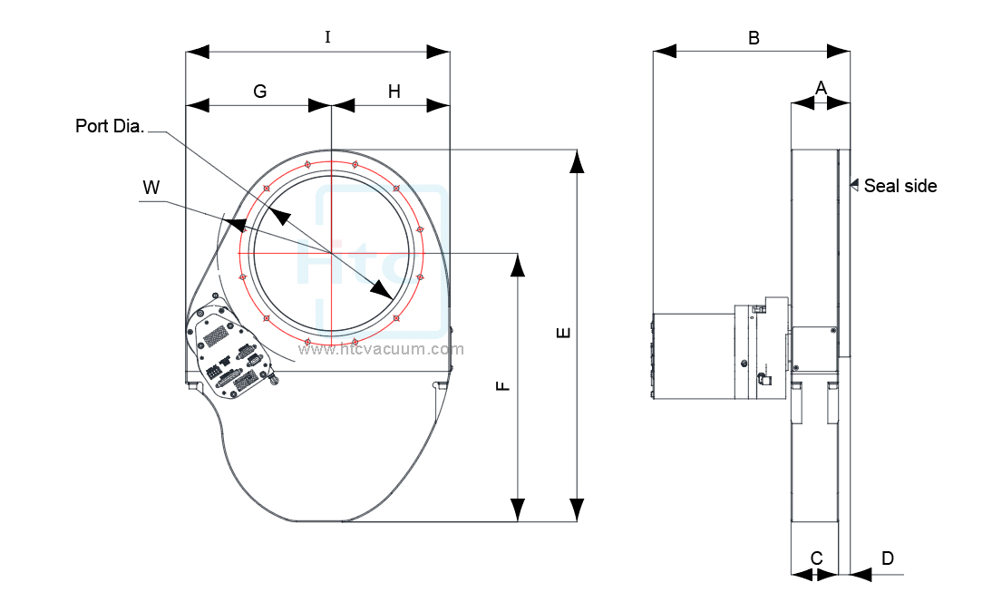
| A | 70 | 70 | 88 | 88 | 100 | 100 | 120 | 120 |
| B | 299 | 299 | 320 | 321 | 333 | 333 | 353 | 353 |
| C | 56 | 56 | 72 | 72 | 80 | 80 | 96 | 96 |
| D | 14 | 14 | 16 | 16 | 20 | 20 | 24 | 24 |
| E | 295 | 295 | 510 | 510 | 360 | 360 | 752 | 752 |
| F | 200 | 200 | 360 | 360 | 453 | 453 | 538 | 538 |
| G | 163 | 163 | 208 | 208 | 246 | 246 | 302 | 302 |
| H | 98 | 98 | 160 | 160 | 200 | 200 | 231 | 231 |
| I | 261 | 261 | 368 | 368 | 446 | 446 | 533 | 533 |
| W | R93.5 | R93.5 | R150 | R150 | R194 | R194 | R230 | R230 |
| Bolt Size*No | M8*8 | M8*8 | M10x12 | M10x12 | M10x12 | M10x12 | M12x12 | M12x12 |
| Bolt P.C.D. | 145 | 145 | 260 | 260 | 310 | 310 | 395 | 395 |
| Bonnet seal | Viton | Viton | Viton | Viton | Viton | Viton | Viton | Viton |
| Flange O.D. | 190 | 190 | 300 | 300 | 335 | 335 | 428 | 428 |
| Port Dia. | 102 | 102 | 200 | 200 | 254 | 254 | 318 | 318 |
| Thread Depth | 15 | 15 | 16 | 16 | 16 | 16 | 18 | 18 |
| Select | Model No. | Parts No. | A | B | C | D | E | F | G | H | I | W | Bolt Size*No | Bolt P.C.D. | Bonnet seal | Flange O.D. | Port Dia. | Thread Depth |
| PVSSV-HA-ISO100-C/RS232 | GP111B213PA | 70 | 299 | 56 | 14 | 295 | 200 | 163 | 98 | 261 | R93.5 | M8*8 | 145 | Viton | 190 | 102 | 15 | |
| PVSSV-HA-ISO100-C/RS485 | GP111B213PB | 70 | 299 | 56 | 14 | 295 | 200 | 163 | 98 | 261 | R93.5 | M8*8 | 145 | Viton | 190 | 102 | 15 | |
| PVSSV-HA-ISO200-C/RS232 | GP113B213PA | 88 | 320 | 72 | 16 | 510 | 360 | 208 | 160 | 368 | R150 | M10x12 | 260 | Viton | 300 | 200 | 16 | |
| PVSSV-HA-ISO200-C/RS485 | GP113B213PB | 88 | 321 | 72 | 16 | 510 | 360 | 208 | 160 | 368 | R150 | M10x12 | 260 | Viton | 300 | 200 | 16 | |
| PVSSV-HA-ISO250-C/RS232 | GP114B213PA | 100 | 333 | 80 | 20 | 360 | 453 | 246 | 200 | 446 | R194 | M10x12 | 310 | Viton | 335 | 254 | 16 | |
| PVSSV-HA-ISO250-C/RS485 | GP114B213PB | 100 | 333 | 80 | 20 | 360 | 453 | 246 | 200 | 446 | R194 | M10x12 | 310 | Viton | 335 | 254 | 16 | |
| PVSSV-HA-ISO320-C/RS232 | GP115B213PA | 120 | 353 | 96 | 24 | 752 | 538 | 302 | 231 | 533 | R230 | M12x12 | 395 | Viton | 428 | 318 | 18 | |
| PVSSV-HA-ISO320-C/RS485 | GP115B213PB | 120 | 353 | 96 | 24 | 752 | 538 | 302 | 231 | 533 | R230 | M12x12 | 395 | Viton | 428 | 318 | 18 |
SolidWorks 2D & 3D model drawings
RS232
| Model No. | PVSSV-HA-ISO100-C/RS232 | PVSSV-HA-ISO200-C/RS232 | PVSSV-HA-ISO250-C/RS232 | PVSSV-HA-ISO320-C/RS232 |
| Parts No. | GP111B213PA | GP113B213PA | GP114B213PA | GP115B213PA |
| Download Type | DWG | STEP | DWG | STEP | DWG | STEP | DWG | STEP |
RS485
| Model No. | PVSSV-HA-ISO100-C/RS485 | PVSSV-HA-ISO200-C/RS485 | PVSSV-HA-ISO250-C/RS485 | PVSSV-HA-ISO320-C/RS485 |
| Parts No. | GP111B213PB | GP113B213PB | GP114B213PB | GP115B213PB |
| Download Type | DWG | STEP | DWG | STEP | DWG | STEP | DWG | STEP |
Note: Please [Right click] and select [Save link as]. Wait a moment and the archive window appears.
Standard surface treatment : Hard anodized
Input voltage DC24V